Главная > Подшипники> Шариковые> Радиальные>GLE20-KRR-B

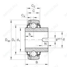
GLE20-KRR-B — Подшипник для корпуса, импортное производство по ISO стандарту, размер 20x47x34 номер основного исполнения .
Производитель: INA.
KRR = Манжетные уплотнения на обеих сторонах (тип R - имеет цинковую внутреннюю и внешнюю крышку. Между крышками на поверхности основания находится губка уплотнения NBR). B = подшипник со сферическим наружным кольцом.
Цена от:849 р.
Цена на подшипник зависит от:
Габаритные размеры
Размеры и геометрические характеристики
Нагрузка и ресурс
Защита
Конструкция и исполнение
Прочие характеристики
Радиальный шарикоподшипник 1013KRR (TIMKEN)
Радиальный шарикоподшипник 1013KRRB (TIMKEN)
Радиальный шарикоподшипник E20KRRB (TIMKEN)
Подшипник для корпуса GE20-KRRB (INA, NKE, TIMKEN)
Радиальный шарикоподшипник GE20KRR (TIMKEN)
Подшипник для корпуса UG204+ER (NACHI)