Главная > Подшипники> Шарнирные скольжения>GEBJ6C

GEBJ6C — Радиальный сферический подшипник скольжения, импортное производство по ISO стандарту номер основного исполнения .
Производится брендами: AST, LS.
С = Необслуживаемые концы стержней, внутренняя резьба.
Цена по запросу
Цена на подшипник зависит от:
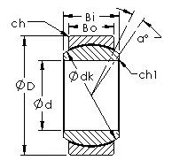
Габаритные размеры
Размеры и геометрические характеристики
Нагрузка и ресурс
Защита
Присоединительные размеры
Прочие характеристики
Подшипник шариковый упорный 1008096 Е (ГПЗ-2)
Подшипник шариковый упорный 4-1008096
Подшипник шариковый упорный 5-1008096 Е (ГПЗ-2)
Радиальный шарикоподшипник R-1660DD (NMB)
Подшипник однорядный шариковый радиальный R-1660HH (NMB)
Втулки AST50 стальной корпус бронзовый порошок с волокном из ПТФЭ дюймовая серия AST50 04IB06 (AST)