Главная > Подшипники> Шарнирные скольжения>AST50 04IB06

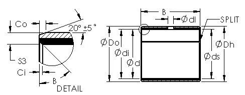
AST50 04IB06 — Втулки AST50 стальной корпус бронзовый порошок с волокном из ПТФЭ дюймовая серия, импортное производство по ISO стандарту номер основного исполнения .
Производитель: AST.
B = однокомпонентное ребристое внутреннее кольцо.
Цена по запросу
Цена на подшипник зависит от:
Габаритные размеры
Присоединительные размеры
Конструкция и исполнение
Прочие характеристики
Подшипник шариковый упорный 1008096 Е (ГПЗ-2)
Подшипник шариковый упорный 4-1008096
Подшипник шариковый упорный 5-1008096 Е (ГПЗ-2)
Радиальный шарикоподшипник R-1660DD (NMB)
Подшипник однорядный шариковый радиальный R-1660HH (NMB)
Втулки AST50 стальной корпус бронзовый порошок с волокном из ПТФЭ дюймовая серия AST50 04IB04 (AST)