Главная > Подшипники> Шарнирные скольжения>GEBJ16C

GEBJ16C — Радиальный сферический подшипник скольжения, импортное производство по ISO стандарту номер основного исполнения .
Производится брендами: AST, LS.
С = Необслуживаемые концы стержней, внутренняя резьба.
Цена по запросу
Цена на подшипник зависит от:
Габаритные размеры
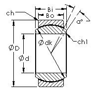
Размеры и геометрические характеристики
Нагрузка и ресурс
Защита
Присоединительные размеры
Прочие характеристики
Опорный ролик RNA 2201.2RS (SKF)
Опорный ролик RSTO 12 (SKF)