Главная > Подшипники> Шарнирные скольжения>AST20 WC18

AST20 WC18 — импортное производство по ISO стандарту номер основного исполнения .
Производитель: AST.
С1 = Внутренний зазор подшипника меньше С2.
Цена по запросу
Цена на подшипник зависит от:
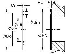
Габаритные размеры
Присоединительные размеры
Конструкция и исполнение
Прочие характеристики
Опорный ролик RNA 2201.2RS (SKF)
Опорный ролик RSTO 12 (SKF)
Радиальный сферический подшипник скольжения GEBJ16C (AST, LS)