Главная > Подшипники> Шарнирные скольжения>GE110-LO

GE110-LO — Сферический подшипник скольжения, импортное производство по ISO стандарту, размер 110x160x110 номер основного исполнения GE110.
Производитель: INA.
LO = (Сегментный контактный мат., Код S / S) = Поверхность скользящего контакта из стали / стали, внутреннее кольцо выдвинуто с обеих сторон, одно осевое разрезное наружное кольцо.
Цена от:16 178 р.
Цена на подшипник зависит от:
| Обозначение | Модификация |
|---|---|
| GE110 | Основное конструктивное исполнение. |
| GE110XDO | DO = Поверхность скользящего контакта Сталь / Сталь, внутреннее и наружное кольцо закалены. |
| GE110-SW | S = смазочный паз и три отверстия в наружном кольце подшипника. |
| GE110-DO | DO = Поверхность скользящего контакта Сталь / Сталь, внутреннее и наружное кольцо закалены. |
| GE 110GS | G = Подшипник с предварительным натягом в да Н. S = цилиндрическое наружное кольцо |
| GE110-SX | S = смазочный паз и три отверстия в наружном кольце подшипника. |
| GE 110 ES | E = Увеличенная грузоподъемность. S = кольцевой канал с двумя отверстиями для смазки во внутреннем и наружном кольце. |
| GE 110 CP | С = Необслуживаемые концы стержней, внутренняя резьба. |
| GE110XT/X | T = Механически обработанный сепаратор из текстолита, центрируемый по телам качения. |
| GE110XF/Q | Q = тихий ход работы подшипника. |
| GE 110 XES | E = Увеличенная грузоподъемность. S = кольцевой канал с двумя отверстиями для смазки во внутреннем и наружном кольце. |
| GE110UK.2RS | Резиновые уплотнения с каждой стороны подшипника. |
| GE 110 XS K | S = смазочная канавка и три отверстия в наружном кольце подшипника. K = коническое отверстие, конус 1:12. |
| GE110-FO-2RS | Резиновые уплотнения с каждой стороны подшипника. |
| GE110-FW-2RS | FW = (контактный мат для сегмента, код S / P) = поверхность скользящего контакта. Композитный твердый хром / PTFE (полиэфирфторэтилен), широкое внутреннее кольцо. 2RS = манжетные уплотнения с обеих сторон. |
| GE110-DO-2RS | Резиновые уплотнения с каждой стороны подшипника. |
| GE 110GS-2RS | Резиновые уплотнения с каждой стороны подшипника. |
| GE110XDO-2RS | Резиновые уплотнения с каждой стороны подшипника. |
| GE110TXA-2LS | A = Модифицированная внутренняя конструкция с одинаковыми граничными размерами. Как Правило, Значение Буквы Привязано К Конкретному Подшипнику Или Серии Подшипников. 2LS = двойные манжетные уплотнения. |
| GE 110 TA 2RS | A = Двухрядный радиально = упорный шарикоподшипник без отверстий для смазки. 2RS1 = стальное армированное контактное уплотнение из акрилонитрилбутадиенового каучука (NBR) с обеих сторон подшипника. |
| GE 110 ES-2RS | E = Увеличенная грузоподъемность. S = вариант наружного кольца: цилиндрическое наружное кольцо. 2RS = шарикоподшипники с двухсторонним контактным уплотнением исполнения RS. |
| GE 110 ET 2RS | Резиновые уплотнения с каждой стороны подшипника. |
| GE 110 ES-2LS | 2LS = (сегментное уплотнение, код 2L) = Контактное уплотнение LS с обеих сторон подшипника. |
| GE 110 HS-2RS | Резиновые уплотнения с каждой стороны подшипника. |
| GE110XT/X-2RS | Резиновые уплотнения с каждой стороны подшипника. |
| GE 110 ECR-2RS | EC = Оптимизированная внутренняя конструкция, включающая больше и / или более крупные ролики и с модифицированным роликовым / концевым фланцевым контактом. R = Подшипники с фланцем на наружнем кольце. |
| GE 110 HCR-2RS | Резиновые уплотнения с каждой стороны подшипника. |
| GE 110 XES-2RS | E = Увеличенная грузоподъемность. S = вариант наружного кольца: цилиндрическое наружное кольцо. 2RS = шарикоподшипники с двухсторонним контактным уплотнением исполнения RS. |
| GE 110 TXG3A-2LS | A = Модифицированная внутренняя конструкция с одинаковыми граничными размерами. Как Правило, Значение Буквы Привязано К Конкретному Подшипнику Или Серии Подшипников. 2LS = двойные манжетные уплотнения. |
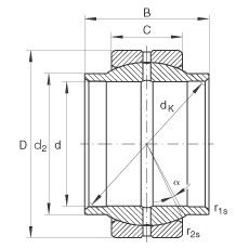
Габаритные размеры
Размеры и геометрические характеристики
Нагрузка и ресурс
Защита
Отклонение, точность вращения
Присоединительные размеры
Прочие характеристики
Радиальный сферический подшипник скольжения GIHNRK 110 LO (INA)
Сферический шарнирный подшипник GIHN-K 110 LO (INA)
Подшипник скольжения сферический TAPR 696 CE (ISB)
Подшипник скольжения сферический T.P.N. 7110 CE (ISB)
Сферический подшипник скольжения GEEW110ES (ISB, LS)
Сферический подшипник скольжения GEEW110ES-2RS (LS)