Главная > Подшипники> Шарнирные скольжения>GAZ 008 SA

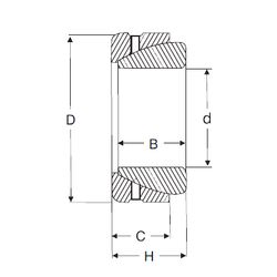
GAZ 008 SA — Радиальный сферический подшипник скольжения, импортное производство по ISO стандарту, размер 12x22x6 номер основного исполнения .
Производитель: SIGMA.
S = смазочный паз и три отверстия в наружном кольце подшипника.
Цена по запросу
Цена на подшипник зависит от:
Габаритные размеры
Размеры и геометрические характеристики
Защита
Подшипник шариковый упорный однонаправленный FTO15 (INA)
Сферический подшипник скольжения GACZ 008 S (NIS)