Главная > Подшипники> Шарнирные скольжения>GACZ 008 S

GACZ 008 S — Сферический подшипник скольжения, импортное производство по ISO стандарту, размер 12x22x6 номер основного исполнения .
Производитель: NIS.
S = смазочный паз и три отверстия в наружном кольце подшипника.
Цена по запросу
Цена на подшипник зависит от:
Габаритные размеры
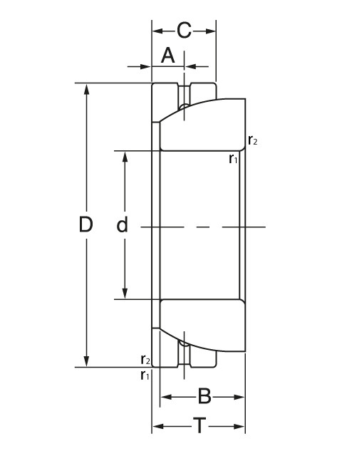
Размеры и геометрические характеристики
Прочие характеристики
Подшипник шариковый упорный однонаправленный FTO15 (INA)
Радиальный сферический подшипник скольжения GAZ 008 SA (SIGMA)