Главная > Подшипники> Роликовые > Радиально-упорные>EE329119D/329172

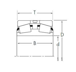
EE329119D/329172 — Конический роликоподшипник, импортное производство по ISO стандарту, размер 304x438x131 номер основного исполнения .
Производитель: TIMKEN.
D = профиль наружного кольца, усовершенствованный, с увеличенной зоной несущей нагрузки и оптимизированными краевыми переходами.
Цена по запросу
Цена на подшипник зависит от:
Габаритные размеры
Размеры и геометрические характеристики
Защита
Конструкция и исполнение
Конический роликоподшипник EE329119D/329172+A (NTN)
Конический роликоподшипник EE329117D/329172+Y1S-329172 (TIMKEN)