Главная > Подшипники> Роликовые > Радиально-упорные>EE329117D/329172+Y1S-329172

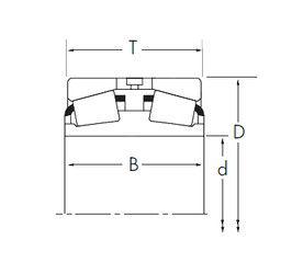
EE329117D/329172+Y1S-329172 — Конический роликоподшипник, импортное производство по ISO стандарту, размер 304x438x131 номер основного исполнения .
Производитель: TIMKEN.
S3 = Кольца подшипника стабилизированы для рабочих температур до + 300 С
Цена по запросу
Цена на подшипник зависит от:
Габаритные размеры
Размеры и геометрические характеристики
Защита
Конструкция и исполнение
Конический роликоподшипник EE329119D/329172+A (NTN)
Конический роликоподшипник EE329119D/329172 (TIMKEN)