Главная > Подшипники> Шариковые> Радиально-упорные>E 290 7CE1

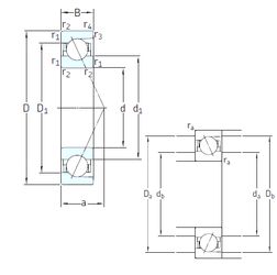
E 290 7CE1 — Радиально-упорный шарикоподшипник, импортное производство по ISO стандарту, размер 90x160x30 номер основного исполнения .
Производитель: SNFA.
Energy Efficient bearings.
С = фенольная смола. E = Расположение внешнего сепаратора. 1 = CD (SKF) = 15 градусов угол контакта.
Цена по запросу
Цена на подшипник зависит от:
Габаритные размеры
Размеры и геометрические характеристики
Нагрузка и ресурс
Защита
Коэффициенты для расчета
Присоединительные размеры
Конструкция и исполнение
Однорядный цилиндрический роликовый подшипник NJ218 (CRAFT, FAG, FBJ, ISB, ISO)
Однорядный цилиндрический роликовый подшипник NU218 (CRAFT, FAG, FBJ, ISB, ISO)
Подшипник шариковый радиальный 6-218
Подшипник роликовый радиально-упорный 32218
Подшипник шариковый радиальный 4-218 (ГПЗ-3)