Главная > Подшипники> Шариковые> Радиально-упорные>E 270 7CE3

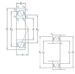
E 270 7CE3 — Радиально-упорный шарикоподшипник, импортное производство по ISO стандарту, размер 70x125x24 номер основного исполнения .
Производитель: SNFA.
Energy Efficient bearings.
С = Необслуживаемые концы стержней, внутренняя резьба.
Цена по запросу
Цена на подшипник зависит от:
Габаритные размеры
Размеры и геометрические характеристики
Нагрузка и ресурс
Защита
Присоединительные размеры
Конструкция и исполнение
Однорядный цилиндрический роликовый подшипник NJ214 (CRAFT, FBJ, ISB, ISO, KOYO)
Однорядный цилиндрический роликовый подшипник NU214 (CRAFT, FBJ, ISB, ISO, KOYO)
Подшипник шариковый радиальный 6-214 (ГПЗ-3)
Подшипник шариковый радиальный 4-214 (ГПЗ-3)
Подшипник роликовый сферический 20214 (FAG, ISO)
Подшипник шариковый радиальный сферический двухрядный с цилиндрическим отверстием внутреннего кольца 1214