Главная > Подшипники> Шариковые> Радиально-упорные>E 240 7CE3

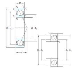
E 240 7CE3 — Радиально-упорный шарикоподшипник, импортное производство по ISO стандарту, размер 40x80x18 номер основного исполнения .
Производитель: SNFA.
Energy Efficient bearings.
С = Необслуживаемые концы стержней, внутренняя резьба.
Цена от:32 611 р.
Цена на подшипник зависит от:
Габаритные размеры
Размеры и геометрические характеристики
Нагрузка и ресурс
Защита
Присоединительные размеры
Конструкция и исполнение
Подшипник шариковый радиальный 6-208
Подшипник роликовый радиально-упорный 32208 (ГПЗ-4)
Подшипник шариковый радиальный 4-208
Подшипник роликовый сферический 20208 (FAG, ISO, SIGMA)
Подшипник шариковый радиальный сферический двухрядный с цилиндрическим отверстием внутреннего кольца 1208