Главная > Подшипники> Шариковые> Радиально-упорные>E 210 7CE3

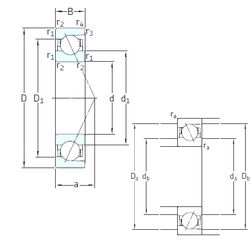
E 210 7CE3 — Радиально-упорный шарикоподшипник, импортное производство по ISO стандарту, размер 10x30x9 номер основного исполнения .
Производитель: SNFA.
Energy Efficient bearings.
С = Необслуживаемые концы стержней, внутренняя резьба.
Цена от:1 034 р.
Цена на подшипник зависит от:
Габаритные размеры
Размеры и геометрические характеристики
Нагрузка и ресурс
Защита
Присоединительные размеры
Конструкция и исполнение
Подшипник шариковый радиально-упорный 7-200 (ГПЗ-4)
Подшипник шариковый радиально-упорный однорядный разъемный со съемным наружным кольцом с углом контакта 12 6200
Подшипник шариковый радиальный 4-200 (ГПЗ-4)
Подшипник шариковый радиальный сферический двухрядный с цилиндрическим отверстием внутреннего кольца 1200 (ГПЗ-2)
Подшипник однорядный шариковый радиальный 200