Главная > Подшипники> Шариковые> Радиально-упорные>E 200/105 7CE3

E 200/105 7CE3 — Радиально-упорный шарикоподшипник, импортное производство по ISO стандарту, размер 105x190x36 номер основного исполнения .
Производитель: SNFA.
Energy Efficient bearings.
С = Необслуживаемые концы стержней, внутренняя резьба.
Цена по запросу
Цена на подшипник зависит от:
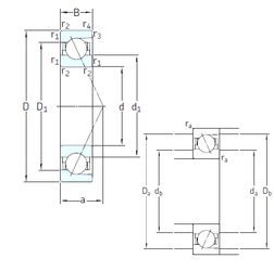
Габаритные размеры
Размеры и геометрические характеристики
Нагрузка и ресурс
Защита
Присоединительные размеры
Конструкция и исполнение
Однорядный цилиндрический роликовый подшипник NJ221 (CYSD, ISB, ISO, KOYO, NACHI)
Однорядный цилиндрический роликовый подшипник NU221 (CYSD, ISB, ISO, KOYO, NACHI)
Подшипник шариковый однорядный радиально-упорный 7221 (CYSD, FAG, KOYO, NACHI, NTN)
Подшипник шариковый радиальный 6-221 (ГПЗ-23)
Подшипник шариковый двухрядный самоустанавливающийся 1221 (AST, CX, FAG, ISO, KOYO)
Однорядный цилиндрический роликовый подшипник NJ221 ECP.C3 (SKF)