Главная > Подшипники> Шариковые> Радиальные>CSXAA017-TV

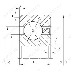
CSXAA017-TV — Подшипник шариковый радиальный с тонким кольцом, импортное производство по ISO стандарту, размер 44x53x4 номер основного исполнения .
Производитель: INA.
TV = Твердая клетка из армированного стекловолокном полиамида, шариковая езда.
Цена по запросу
Цена на подшипник зависит от:
Габаритные размеры
Размеры и геометрические характеристики
Нагрузка и ресурс
Подшипник шариковый радиальный с тонким кольцом CSCAA017-TV (INA)
Радиальный шарикоподшипник CSCAA 017 TN (INA)
Подшипник шариковый радиальный с тонким кольцом CSEAA017-TV (INA)
Радиально-упорный шарикоподшипник CSEAA 017 TN (INA)
Радиально-упорный шарикоподшипник с четырехточечным контактом CSXAA 017 TN (INA)