Главная > Подшипники> Шариковые> Радиально-упорные>CSEAA 017 TN

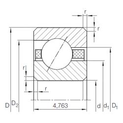
CSEAA 017 TN — Радиально-упорный шарикоподшипник, импортное производство по ISO стандарту, размер 44x53x4 номер основного исполнения .
Производитель: INA.
TN = Полиамидная клетка.
Цена по запросу
Цена на подшипник зависит от:
Габаритные размеры
Размеры и геометрические характеристики
Нагрузка и ресурс
Защита
Конструкция и исполнение
Подшипник шариковый радиальный с тонким кольцом CSCAA017-TV (INA)
Радиальный шарикоподшипник CSCAA 017 TN (INA)
Подшипник шариковый радиальный с тонким кольцом CSEAA017-TV (INA)
Подшипник шариковый радиальный с тонким кольцом CSXAA017-TV (INA)
Радиально-упорный шарикоподшипник с четырехточечным контактом CSXAA 017 TN (INA)