Главная > Подшипники> Шариковые> Радиальные>CSXA070

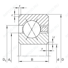
CSXA070 — Подшипник шариковый с четырехточечным контактом, импортное производство по ISO стандарту, размер 177x190x6 основное исполнение.
Производитель: INA.
A = внутренняя модификация конструкции.
Цена по запросу
Цена на подшипник зависит от:
Габаритные размеры
Размеры и геометрические характеристики
Нагрузка и ресурс
Подшипник однорядный шариковый радиальный CSCA070 (INA)
Подшипник шариковый радиальный с тонким кольцом CSEA070 (INA)
Радиальный шарикоподшипник KAC070 (KOYO)
Радиально-упорный шарикоподшипник KAA070 (KOYO)
Радиально-упорный шарикоподшипник KAX070 (KOYO)