Главная > Подшипники> Шариковые> Радиальные>CSCA070

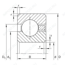
CSCA070 — Подшипник однорядный шариковый радиальный, импортное производство по ISO стандарту, размер 177x190x6 основное исполнение.
Производитель: INA.
A = внутренняя модификация конструкции.
Цена по запросу
Цена на подшипник зависит от:
Габаритные размеры
Размеры и геометрические характеристики
Нагрузка и ресурс
Конструкция и исполнение
Подшипник шариковый с четырехточечным контактом CSXA070 (INA)
Подшипник шариковый радиальный с тонким кольцом CSEA070 (INA)
Радиальный шарикоподшипник KAC070 (KOYO)
Радиально-упорный шарикоподшипник KAA070 (KOYO)
Радиально-упорный шарикоподшипник KAX070 (KOYO)