Главная > Подшипники> Шариковые> Радиальные>CSEB065

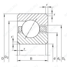
CSEB065 — Подшипник шариковый радиальный с тонким кольцом, импортное производство по ISO стандарту, размер 165x180x7 основное исполнение.
Производитель: INA.
B = однокомпонентное ребристое внутреннее кольцо.
Цена по запросу
Цена на подшипник зависит от:
Габаритные размеры
Размеры и геометрические характеристики
Нагрузка и ресурс
Прочие характеристики
Подшипник однорядный шариковый радиальный CSCB065 (INA)
Подшипник шариковый с четырехточечным контактом CSXB065 (INA)
Радиальный шарикоподшипник KBC065 (KOYO)
Радиально-упорный шарикоподшипник KBX065 (KOYO)
Радиально-упорный шарикоподшипник KBA065 (KOYO)