Главная > Подшипники>CSCB065

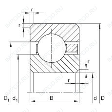
CSCB065 — Подшипник однорядный шариковый радиальный, импортное производство по ISO стандарту, размер 165x180x7 основное исполнение.
Производитель: INA.
B = однокомпонентное ребристое внутреннее кольцо.
Цена по запросу
Цена на подшипник зависит от:
Габаритные размеры
Размеры и геометрические характеристики
Нагрузка и ресурс
Конструкция и исполнение
Подшипник шариковый радиальный с тонким кольцом CSEB065 (INA)
Подшипник шариковый с четырехточечным контактом CSXB065 (INA)
Радиальный шарикоподшипник KBC065 (KOYO)
Радиально-упорный шарикоподшипник KBX065 (KOYO)
Радиально-упорный шарикоподшипник KBA065 (KOYO)