Главная > Подшипники> Шариковые> Радиальные>CSEB060

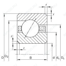
CSEB060 — Подшипник шариковый радиальный с тонким кольцом, импортное производство по ISO стандарту, размер 152x168x7 основное исполнение.
Производитель: INA.
B = однокомпонентное ребристое внутреннее кольцо.
Цена по запросу
Цена на подшипник зависит от:
Габаритные размеры
Размеры и геометрические характеристики
Нагрузка и ресурс
Прочие характеристики
Подшипник однорядный шариковый радиальный CSCB060 (INA)
Подшипник шариковый с четырехточечным контактом CSXB060 (INA)
Радиальный шарикоподшипник KBC060 (KOYO)
Радиально-упорный шарикоподшипник KBA060 (KOYO)
Радиально-упорный шарикоподшипник KBX060 (KOYO)