Главная > Подшипники> Шариковые> Радиальные>CSCB060

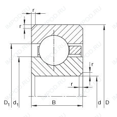
CSCB060 — Подшипник однорядный шариковый радиальный, импортное производство по ISO стандарту, размер 152x168x7 основное исполнение.
Производитель: INA.
B = однокомпонентное ребристое внутреннее кольцо.
Цена по запросу
Цена на подшипник зависит от:
Габаритные размеры
Размеры и геометрические характеристики
Нагрузка и ресурс
Конструкция и исполнение
Подшипник шариковый радиальный с тонким кольцом CSEB060 (INA)
Подшипник шариковый с четырехточечным контактом CSXB060 (INA)
Радиальный шарикоподшипник KBC060 (KOYO)
Радиально-упорный шарикоподшипник KBA060 (KOYO)
Радиально-упорный шарикоподшипник KBX060 (KOYO)