Главная > Подшипники> Шариковые> Радиально-упорные>CSEAA 010 TN

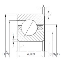
CSEAA 010 TN — Радиально-упорный шарикоподшипник, импортное производство по ISO стандарту, размер 25x34x4 номер основного исполнения .
Производитель: INA.
TN = Полиамидная клетка.
Цена по запросу
Цена на подшипник зависит от:
Габаритные размеры
Размеры и геометрические характеристики
Нагрузка и ресурс
Защита
Конструкция и исполнение
Радиальный шарикоподшипник CSCAA 010 TN (INA)
Подшипник шариковый радиальный с тонким кольцом CSCAA010-TV (INA)
Подшипник шариковый с четырехточечным контактом CSXAA010-TV (INA)
Подшипник шариковый радиальный с тонким кольцом CSEAA010-TV (INA)
Радиальный шарикоподшипник KTC010 (KOYO)
Радиально-упорный шарикоподшипник с четырехточечным контактом CSXAA 010 TN (INA)