Главная > Подшипники> Шариковые> Радиальные>CSCAA010-TV

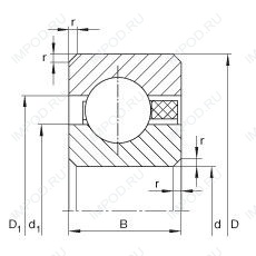
CSCAA010-TV — Подшипник шариковый радиальный с тонким кольцом, импортное производство по ISO стандарту, размер 25x34x4 номер основного исполнения .
Производитель: INA.
TV = Твердая клетка из армированного стекловолокном полиамида, шариковая езда.
Цена по запросу
Цена на подшипник зависит от:
Габаритные размеры
Размеры и геометрические характеристики
Нагрузка и ресурс
Конструкция и исполнение
Радиальный шарикоподшипник CSCAA 010 TN (INA)
Подшипник шариковый с четырехточечным контактом CSXAA010-TV (INA)
Подшипник шариковый радиальный с тонким кольцом CSEAA010-TV (INA)
Радиальный шарикоподшипник KTC010 (KOYO)
Радиально-упорный шарикоподшипник с четырехточечным контактом CSXAA 010 TN (INA)
Радиально-упорный шарикоподшипник CSEAA 010 TN (INA)