Главная > Подшипники> Роликовые > Упорные>CRBH 15025 A

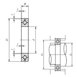
CRBH 15025 A — Подшипник роликовый упорно-радиальный с четырехточечным контактом, импортное производство по ISO стандарту, размер 150x210x25 номер основного исполнения .
Производится брендами: IKO, ISB.
H = высокая, узкая каретка для двухрядного шарикоподшипника и направляющей в сборе.
Цена по запросу
Цена на подшипник зависит от:
Габаритные размеры
Размеры и геометрические характеристики
Нагрузка и ресурс
Защита
Присоединительные размеры
Конструкция и исполнение
Радиально-упорный шарикоподшипник AC3021B (KOYO)
Подшипник роликовый упорно-радиальный с четырехточечным контактом CRB 15025 UU (IKO)
Подшипник роликовый упорно-радиальный с четырехточечным контактом CRB 15025 (IKO, ISB)
Подшипник роликовый упорно-радиальный с четырехточечным контактом CRBC 15025 (IKO, ISB)
Подшипник роликовый упорно-радиальный с четырехточечным контактом CRBC 15025 UU (IKO)
Подшипник роликовый упорно-радиальный с четырехточечным контактом CRBH 15025 A UU (IKO)