Главная > Подшипники> Роликовые > Упорные>CRBC 15025

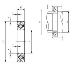
CRBC 15025 — Подшипник роликовый упорно-радиальный с четырехточечным контактом, импортное производство по ISO стандарту, размер 150x210x25 номер основного исполнения CRBC15025.
Производится брендами: IKO, ISB.
С1 = Внутренний зазор подшипника меньше С2.
Цена по запросу
Цена на подшипник зависит от:
| Обозначение | Модификация |
|---|---|
| CRBC 15025 UU | С1 = Внутренний зазор подшипника меньше С2. |
Габаритные размеры
Размеры и геометрические характеристики
Нагрузка и ресурс
Защита
Присоединительные размеры
Конструкция и исполнение
Радиально-упорный шарикоподшипник AC3021B (KOYO)
Подшипник роликовый упорно-радиальный с четырехточечным контактом CRB 15025 UU (IKO)
Подшипник роликовый упорно-радиальный с четырехточечным контактом CRB 15025 (IKO, ISB)
Подшипник роликовый упорно-радиальный с четырехточечным контактом CRBH 15025 A (IKO, ISB)
Подшипник роликовый упорно-радиальный с четырехточечным контактом CRBH 15025 A UU (IKO)
Подшипник роликовый опорно-поворотный RB 15025 (ISB)