Главная > Подшипники> Шариковые> Упорные>BSD 4090 CG

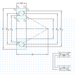
BSD 4090 CG — Осевой радиально-упорный шарикоподшипник, импортное производство по ISO стандарту, размер 40x90x20 номер основного исполнения .
Производитель: SKF.
G = Однорядный радиально-упорный шарикоподшипник для универсального парного монтажа. Два подшипника, установленные по 0-образной или Х-образной схеме, будут иметь определенный осевой зазор в домонтажном состоянии.
Цена по запросу
Цена на подшипник зависит от:
Габаритные размеры
Размеры и геометрические характеристики
Нагрузка и ресурс
Защита
Присоединительные размеры
Конструкция и исполнение
Подшипник роликовый радиально-упорный конический 7308
Подшипник роликовый радиально-упорный конический однорядный повышенной грузоподъемности с упорным бортом на наружном кольце 67308А
Радиальный шарикоподшипник SC0828 (NTN)
Радиальный шарикоподшипник TM-SC0887C3 (NTN)
Опорный подшипник шарико-винтовой передачи 40TAB09DB-2LR (NACHI)
Опорный подшипник шарико-винтовой передачи 40TAB09DF-2LR (NACHI)