Главная > Подшипники> Шариковые> Упорные>BSD 4090 C

BSD 4090 C — Прецизионный одинарный упорно-радиальный шарикоподшипник для винтовых передач, импортное производство по ISO стандарту, размер 40x90x20 номер основного исполнения .
Производитель: SKF.
С = Необслуживаемые концы стержней, внутренняя резьба.
Цена по запросу
Цена на подшипник зависит от:
Габаритные размеры
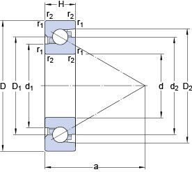
Размеры и геометрические характеристики
Нагрузка и ресурс
Присоединительные размеры
Конструкция и исполнение
Прочие характеристики
Подшипник роликовый радиально-упорный конический 7308
Подшипник роликовый радиально-упорный конический однорядный повышенной грузоподъемности с упорным бортом на наружном кольце 67308А
Радиальный шарикоподшипник SC0828 (NTN)
Радиальный шарикоподшипник TM-SC0887C3 (NTN)
Опорный подшипник шарико-винтовой передачи 40TAB09DB-2LR (NACHI)
Опорный подшипник шарико-винтовой передачи 40TAB09DF-2LR (NACHI)