Главная > Подшипники> Шариковые> Упорные>BS 55/120 7P62U

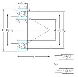
BS 55/120 7P62U — Осевой радиально-упорный шарикоподшипник, импортное производство по ISO стандарту, размер 55x120x20 номер основного исполнения .
Производитель: SNFA.
P62 = Класс точности Р6 и радиальная очистка С2.
Цена по запросу
Цена на подшипник зависит от:
Габаритные размеры
Размеры и геометрические характеристики
Нагрузка и ресурс
Защита
Присоединительные размеры
Конструкция и исполнение
Шариковый радиально-упорный подшипник однонаправленный 55TAC120B (NSK)
Опорный подшипник шарико-винтовой передачи 55TAB12DB (NACHI)
Опорный подшипник шарико-винтовой передачи 55TAB12DF (NACHI)
Осевой радиально-упорный шарикоподшипник 55TAB12 (NACHI)
Осевой радиально-упорный шарикоподшипник BS 55/120 /S 7P62U (SNFA)
Прецизионный одинарный упорно-радиальный шарикоподшипник для винтовых передач BSD 55120 C (SKF)