Главная > Подшипники> Шариковые> Упорные>55TAC120B

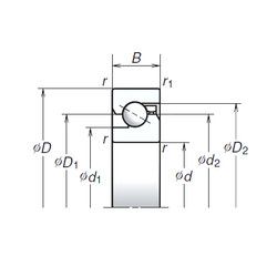
55TAC120B — Шариковый радиально-упорный подшипник однонаправленный, импортное производство по ISO стандарту, размер 55x120x20 номер основного исполнения .
Производитель: NSK.
С1 = Внутренний зазор подшипника меньше С2.
Цена по запросу
Цена на подшипник зависит от:
Габаритные размеры
Размеры и геометрические характеристики
Нагрузка и ресурс
Защита
Конструкция и исполнение
Опорный подшипник шарико-винтовой передачи 55TAB12DB (NACHI)
Опорный подшипник шарико-винтовой передачи 55TAB12DF (NACHI)
Осевой радиально-упорный шарикоподшипник 55TAB12 (NACHI)
Осевой радиально-упорный шарикоподшипник BS 55/120 /S 7P62U (SNFA)
Осевой радиально-упорный шарикоподшипник BS 55/120 7P62U (SNFA)
Прецизионный одинарный упорно-радиальный шарикоподшипник для винтовых передач BSD 55120 C (SKF)