Главная > Подшипники> Шариковые> Упорные>BS 40/90 /S 7P62U

BS 40/90 /S 7P62U — Осевой радиально-упорный шарикоподшипник, импортное производство по ISO стандарту, размер 40x90x20 номер основного исполнения .
Производитель: SNFA.
P62 = Класс точности Р6 и радиальная очистка С2.
Цена по запросу
Цена на подшипник зависит от:
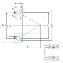
Габаритные размеры
Размеры и геометрические характеристики
Нагрузка и ресурс
Защита
Присоединительные размеры
Конструкция и исполнение
Подшипник роликовый радиально-упорный конический 7308
Подшипник роликовый радиально-упорный конический однорядный повышенной грузоподъемности с упорным бортом на наружном кольце 67308А
Радиальный шарикоподшипник SC0828 (NTN)
Радиальный шарикоподшипник TM-SC0887C3 (NTN)
Опорный подшипник шарико-винтовой передачи 40TAB09DB-2LR (NACHI)
Опорный подшипник шарико-винтовой передачи 40TAB09DF-2LR (NACHI)