Главная > Подшипники> Шариковые> Упорные>BS 335 7P62U

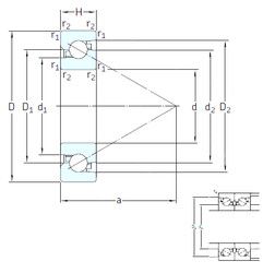
BS 335 7P62U — Осевой радиально-упорный шарикоподшипник, импортное производство по ISO стандарту, размер 35x80x21 номер основного исполнения .
Производитель: SNFA.
P62 = Класс точности Р6 и радиальная очистка С2.
Цена по запросу
Цена на подшипник зависит от:
Габаритные размеры
Размеры и геометрические характеристики
Нагрузка и ресурс
Защита
Присоединительные размеры
Конструкция и исполнение
Однорядный цилиндрический роликовый подшипник NU307 (CRAFT, CYSD, FAG, FBJ, ISB)
Однорядный цилиндрический роликовый подшипник NJ307 (CRAFT, FAG, FBJ, ISB, ISO)
Подшипник шариковый радиальный 6-307
Подшипник шариковый радиальный 4-307
Подшипник роликовый сферический 20307 (FAG, ISO, SIGMA)
Подшипник роликовый сферический 21307 (ISB, SKF)