Главная > Подшипники> Шариковые> Упорные>BS 330 7P62U

BS 330 7P62U — Осевой радиально-упорный шарикоподшипник, импортное производство по ISO стандарту, размер 30x72x19 номер основного исполнения .
Производитель: SNFA.
P62 = Класс точности Р6 и радиальная очистка С2.
Цена от:41 134 р.
Цена на подшипник зависит от:
Габаритные размеры
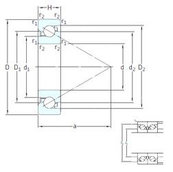
Размеры и геометрические характеристики
Нагрузка и ресурс
Защита
Присоединительные размеры
Конструкция и исполнение
Однорядный цилиндрический роликовый подшипник NU306 (CRAFT, FAG, FBJ, ISB, ISO)
Однорядный цилиндрический роликовый подшипник NJ306 (CRAFT, FAG, FBJ, ISB, ISO)
Подшипник шариковый радиальный 6-306
Подшипник роликовый сферический 20306 (FAG, ISO, SIGMA)
Подшипник роликовый сферический 21306 (ISB, SKF)
Подшипник шариковый радиальный сферический двухрядный с цилиндрическим отверстием внутреннего кольца 1306