Главная > Подшипники> Шариковые> Упорные>BS 230 7P62U

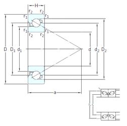
BS 230 7P62U — Осевой радиально-упорный шарикоподшипник, импортное производство по ISO стандарту, размер 30x62x16 номер основного исполнения .
Производитель: SNFA.
P62 = Класс точности Р6 и радиальная очистка С2.
Цена от:20 025 р.
Цена на подшипник зависит от:
Габаритные размеры
Размеры и геометрические характеристики
Нагрузка и ресурс
Защита
Присоединительные размеры
Конструкция и исполнение
Однорядный цилиндрический роликовый подшипник NJ206 (CRAFT, FAG, FBJ, ISB, ISO)
Однорядный цилиндрический роликовый подшипник NU206 (CRAFT, FAG, FBJ, ISB, ISO)
Подшипник шариковый радиальный 6-206 (ГПЗ-23)
Подшипник шариковый радиальный сферический двухрядный с цилиндрическим отверстием внутреннего кольца 5-1206 (ГПЗ-2)
Подшипник роликовый сферический 20206 (FAG, ISO, SIGMA)