Главная > Подшипники> Роликовые > Радиально-упорные>BM89449/HM89410

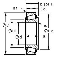
BM89449/HM89410 — Конический роликоподшипник дюймовая серия, импортное производство по ISO стандарту, размер 36x76x29 номер основного исполнения .
Производитель: AST.
H = высокая, узкая каретка для двухрядного шарикоподшипника и направляющей в сборе.
Цена по запросу
Цена на подшипник зависит от:
Габаритные размеры
Размеры и геометрические характеристики
Присоединительные размеры
Конструкция и исполнение
Прочие характеристики
Радиальный шарикоподшипник F-237541.02 (INA)
Подшипник шариковый двухрядный радиально-упорный 528932A (FAG)
Подшипник шариковый двухрядный радиально-упорный BA2B440190C (SKF)
Подшипник роликовый радиально-упорный 31597/31521 (KOYO, TIMKEN)
Конический роликоподшипник 4T-31597/31520 (NTN)
Конический роликоподшипник 4T-HM89448/HM89410 (NTN)