Главная > Однорядные >B7220 C.T.P4S.UL

B7220 C.T.P4S.UL — Подшипник шариковый однорядный радиально-упорный, импортное производство по ISO стандарту, размер 100x180x34 номер основного исполнения 7220.
Производитель: FAG.
C = угол контакта 15 градусов. T = (сегмент TB-Cage) = текстильная слоистая Фенольный смола, направленная по наружному кольцу. сепаратор подходит для длительной эксплуатации при температуре до 100 градусов C. P4S = (4S-Precision Segment) / (P4A-SKF) = (MMV-FAF) = Граничные размеры ISO 4, Abec-7, Точность хода ISO 2, Abec-9. U = конический роликоподшипник с уменьшенными допусками по ширине.
Цена от:12 553 р.
Цена на подшипник зависит от:
| Обозначение | Модификация |
|---|---|
| 7220 | Основное конструктивное исполнение. |
| B7220 | |
| 7220B | B = однокомпонентное ребристое внутреннее кольцо. |
| 7220 C | С = Необслуживаемые концы стержней, внутренняя резьба. |
| 7220 A | A = внутренняя модификация конструкции. |
| 7220AC | AC = Угол контакта 25 градусов. |
| 7220DT | T = Механически обработанный сепаратор из текстолита, центрируемый по телам качения. |
| 7220DF | Комплект подшипников расположенных лицом к лицу, дуплексная Х-образная пара. |
| 7220BG | B = 40 градусов угол контакта. G = Однорядный радиально-упорный шарикоподшипник для универсального парного монтажа. Два подшипника, установленные по 0-образной или Х-образной схеме, будут иметь определенный осевой зазор в домонтажном состоянии. |
| 7220DB | D = профиль наружного кольца, усовершенствованный, с увеличенной зоной несущей нагрузки и оптимизированными краевыми переходами. |
| 7220CDT | С = Необслуживаемые концы стержней, внутренняя резьба. |
| 7220BBG | B = 40 градусов угол контакта. G = Однорядный радиально-упорный шарикоподшипник для универсального парного монтажа. Два подшипника, установленные по 0-образной или Х-образной схеме, будут иметь определенный осевой зазор в домонтажном состоянии. |
| 7220CDB | С = Необслуживаемые концы стержней, внутренняя резьба. |
| 7220BDT | BD = Модифицированная внутренняя конструкция, угол контакта α = 30 градусов, без отверстия для заполнения. |
| 7220BDF | B = 40 градусов угол контакта. DF = Два однорядных радиальных шарикоподшипника, однорядных радиально-упорных шарикоподшипника или однорядных конических роликоподшипника, согласованные для монтажа по Х-образной схеме. |
| 7220BGM | B = 40 градусов угол контакта. G = Однорядный радиально-упорный шарикоподшипник для универсального парного монтажа. Два подшипника, установленные по 0-образной или Х-образной схеме, будут иметь определенный осевой зазор в домонтажном состоянии. |
| 7220CPA | С = Необслуживаемые концы стержней, внутренняя резьба. |
| 7220CDF | Комплект подшипников расположенных лицом к лицу, дуплексная Х-образная пара. |
| 7220 BDB | B = 40 градусов угол контакта. DB = два однорядных радиальных шарикоподшипника, однорядные радиально-упорные шарикоподшипники или однорядные конические роликовые подшипники, подходящие для монтажа в расположении друг за другом. |
| 7220 BEP | Радиально-упорный шарикоподшипник с угол контакта - 40. Оптимизированная внутренняя конструкция. Сепаратор армирован стекловолокном с шаровым центром. |
| 7220 ADF | Комплект подшипников расположенных лицом к лицу, дуплексная Х-образная пара. |
| 7220 ADT | T = Механически обработанный сепаратор из текстолита, центрируемый по телам качения. |
| 7220 ADB | A = Модифицированная внутренняя конструкция. DB = два однорядных радиальных шарикоподшипника, однорядные радиально-упорные шарикоподшипники или однорядные конические роликовые подшипники, подходящие для монтажа в расположении друг к другу. |
| 7220 B-UO | B = однокомпонентное ребристое внутреннее кольцо. |
| 7220 A-UD | A = внутренняя модификация конструкции. |
| 7220 C-UD | С = Необслуживаемые концы стержней, внутренняя резьба. |
| 7220 A-UO | A = внутренняя модификация конструкции. |
| 7220 B-UD | D = профиль наружного кольца, усовершенствованный, с увеличенной зоной несущей нагрузки и оптимизированными краевыми переходами. |
| 7220 C-UX | С = Необслуживаемые концы стержней, внутренняя резьба. |
| 7220 A-UX | A = внутренняя модификация конструкции. |
| 7220CTRSU | С = Необслуживаемые концы стержней, внутренняя резьба. |
| 7220-B-JP | B = однокомпонентное ребристое внутреннее кольцо. |
| 7220 B-UX | X = Внешние размеры, соответствующие международным стандартам. |
| 7220 C-UO | С = Необслуживаемые концы стержней, внутренняя резьба. |
| 7220 CTBP4 | ТВ = текстолитовый сепаратор, центрируемый по внутреннему кольцу. |
| 7220A5TRSU | Угол контакта 25 градусов. |
| 7220 BEGAY | BE = однорядный радиально-упорный шарикоподшипник с углом контакта 40 градусов и оптимизированной внутренней конструкцией. GA = Однорядный радиально-упорный шарикоподшипник для универсального соответствия. Два подшипника, расположенные друг за другом или лицом к лицу, будут иметь легкую предварительную нагрузку. Y = (Сегментный тип клетки, код Y) = штампованная латунный сепаратор с центром на элементах качения. |
| 7220 BECBM | B = 40 градусов угол контакта. M = обработанный латунный сепаратор, расположенныйна элементах качения. |
| 7220 BECBY | ЕС = эксцентриковый фиксатор воротника с утопленным внутренним кольцом на одной стороне. |
| 7220 BEGAM | A = внутренняя модификация конструкции. |
| 7220 BECCM | Радиальный сферический роликоподшипник исполнения С с улучшенным ведением роликов и, благодаря этому, сниженным потерям на трение. |
| 7220-BE-MP | Радиально-упорный шарикоподшипник с углом контакта 40. Оптимизированная внутренняя конструкция. Обработанный латунный сепаратор центрируемый по шарику. |
| 7220 ATBP4 | ТВ = текстолитовый сепаратор, центрируемый по внутреннему кольцу. |
| 7220WN MBR | MB = Обработанный латунный сепаратор с внутренним кольцом. |
| 7220-B-TVP | TVP = сегментный сепаратор, изготовленный из армированного стекловолокном полиамида PA66 направленная по роликам. |
| 7220 BECBP | ЕС = эксцентриковый фиксатор воротника с утопленным внутренним кольцом на одной стороне. |
| 7220CG/GLP4 | P4 = Точность размеров и вращения соответствуют классу точности 4 ISO. |
| 7220 CD/P4A | CD = 15 градусов угол контакта. P4 = Точность размеров и вращения соответствуют классу точности 4 ISO. |
| 7220HG1UJ74 | J = Сепаратор стальной штампованный незакалённый. Сорт стали 7. |
| 7220CG/GNP4 | GN = нормальная предварительная нагрузка. P = Литой сепаратор из стеклонаполненного полиамида 6,6, центрируемый по телам качения. |
| Техника | Модель | Агрегат |
|---|---|---|
| Косилка | КПС-5Г | Ступица ведущих колес |
| ЗИУ | Задний мост 118.77 |
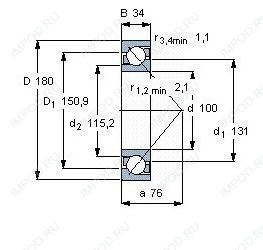
Габаритные размеры
Конструкция и исполнение
Однорядный цилиндрический роликовый подшипник NJ220 (CRAFT, FAG, FBJ, ISB, ISO)
Однорядный цилиндрический роликовый подшипник NU220 (CRAFT, FAG, FBJ, ISB, ISO)
Подшипник шариковый радиальный 6-220 (ГПЗ-3)
Подшипник роликовый сферический 20220 (FAG, ISO)
Подшипник шариковый радиальный сферический двухрядный с цилиндрическим отверстием внутреннего кольца 1220
Подшипник роликовый радиальный с короткими цилиндрическими роликами без бортов на наружном кольце 2220 (ГПЗ-4)