Главная > Однорядные >B7218 E.T.P4S.UL

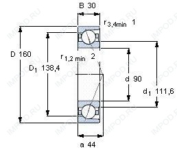
B7218 E.T.P4S.UL — Подшипник шариковый однорядный радиально-упорный, импортное производство по ISO стандарту, размер 90x160x30 номер основного исполнения 7218.
Производитель: FAG.
E = 25 градусов угол контакта. T = текстильная слоистая фенольная смола, направленная по наружному кольцу. Клетка подходит для длительной эксплуатации при температуре до 100 градусов C. P4S = (4S = Прецизионный сегмент) / (P4A = SKF) = (MMV = FAF) = Граничные размеры ISO 4. UL = одиночный подшипник, универсальный, легкая предварительная нагрузка.
Цена от:9 930 р.
Цена на подшипник зависит от:
| Обозначение | Модификация |
|---|---|
| 7218 | Основное конструктивное исполнение. |
| B7218 | |
| 7218C | С = Необслуживаемые концы стержней, внутренняя резьба. |
| 7218DT | T = Механически обработанный сепаратор из текстолита, центрируемый по телам качения. |
| 7218BG | B = 40 градусов угол контакта. G = Однорядный радиально-упорный шарикоподшипник для универсального парного монтажа. Два подшипника, установленные по 0-образной или Х-образной схеме, будут иметь определенный осевой зазор в домонтажном состоянии. |
| 7218 B | B = однокомпонентное ребристое внутреннее кольцо. |
| 7218 A | A = внутренняя модификация конструкции. |
| 7218DB | D = профиль наружного кольца, усовершенствованный, с увеличенной зоной несущей нагрузки и оптимизированными краевыми переходами. |
| 7218AC | AC = Угол контакта 25 градусов. |
| 7218WN | W = Без кольцевой канавки и смазочных отверстий в наружном кольце. |
| 7218DF | Комплект подшипников расположенных лицом к лицу, дуплексная Х-образная пара. |
| 7218BDB | B = 40 градусов угол контакта. DB = два однорядных радиальных шарикоподшипника, однорядные радиально-упорные шарикоподшипники или однорядные конические роликовые подшипники, подходящие для монтажа в расположении друг за другом. |
| 7218CDB | С = Необслуживаемые концы стержней, внутренняя резьба. |
| 7218CDT | С = Необслуживаемые концы стержней, внутренняя резьба. |
| 7218CDF | Комплект подшипников расположенных лицом к лицу, дуплексная Х-образная пара. |
| 7218CPA | С = Необслуживаемые концы стержней, внутренняя резьба. |
| 7218BGM | B = 40 градусов угол контакта. G = Однорядный радиально-упорный шарикоподшипник для универсального парного монтажа. Два подшипника, установленные по 0-образной или Х-образной схеме, будут иметь определенный осевой зазор в домонтажном состоянии. |
| 7218BEP | Радиально-упорный шарикоподшипник с угол контакта - 40. Оптимизированная внутренняя конструкция. Сепаратор армирован стекловолокном с шаровым центром. |
| 7218 ADB | A = Модифицированная внутренняя конструкция. DB = два однорядных радиальных шарикоподшипника, однорядные радиально-упорные шарикоподшипники или однорядные конические роликовые подшипники, подходящие для монтажа в расположении друг к другу. |
| 7218 BDT | BD = Модифицированная внутренняя конструкция, угол контакта α = 30 градусов, без отверстия для заполнения. |
| 7218 ADF | Комплект подшипников расположенных лицом к лицу, дуплексная Х-образная пара. |
| 7218 ADT | T = Механически обработанный сепаратор из текстолита, центрируемый по телам качения. |
| 7218 BDF | B = 40 градусов угол контакта. DF = Два однорядных радиальных шарикоподшипника, однорядных радиально-упорных шарикоподшипника или однорядных конических роликоподшипника, согласованные для монтажа по Х-образной схеме. |
| 7218CTRSU | С = Необслуживаемые концы стержней, внутренняя резьба. |
| 7218 B.MP | B = 40 градусов угол контакта. M = обработанный латунный сепаратор, расположенныйна элементах качения. |
| 7218 A-UD | A = внутренняя модификация конструкции. |
| 7218 C-UX | С = Необслуживаемые концы стержней, внутренняя резьба. |
| 7218 A-UO | A = внутренняя модификация конструкции. |
| 7218 C-UD | С = Необслуживаемые концы стержней, внутренняя резьба. |
| 7218 A-UX | A = внутренняя модификация конструкции. |
| 7218-B-JP | B = однокомпонентное ребристое внутреннее кольцо. |
| 7218 B-UO | B = однокомпонентное ребристое внутреннее кольцо. |
| 7218 B-UD | D = профиль наружного кольца, усовершенствованный, с увеличенной зоной несущей нагрузки и оптимизированными краевыми переходами. |
| 7218 B-UX | X = Внешние размеры, соответствующие международным стандартам. |
| 7218 C-UO | С = Необслуживаемые концы стержней, внутренняя резьба. |
| 7218 BECBY | ЕС = эксцентриковый фиксатор воротника с утопленным внутренним кольцом на одной стороне. |
| 7218 BECBP | ЕС = эксцентриковый фиксатор воротника с утопленным внутренним кольцом на одной стороне. |
| 7218 B.TVP | TVP = сегментный сепаратор, изготовленный из армированного стекловолокном полиамида PA66 направленная по роликам. |
| 7218 BECBJ | BE = однорядный радиально-упорный шарикоподшипник с углом контакта 40 градусов и оптимизированной внутренней конструкцией. CB = подшипник для универсального соответствия. Два подшипника, расположенные друг за другом или лицом к лицу, будут иметь нормальный осевой внутренний зазор перед монтажом. J = Прессованный стальной сепаратор оконного типа, сферическая по центру. |
| 7218 ATBP4 | ТВ = текстолитовый сепаратор, центрируемый по внутреннему кольцу. |
| 7218 CTBP4 | ТВ = текстолитовый сепаратор, центрируемый по внутреннему кольцу. |
| 7218A5TRSU | Угол контакта 25 градусов. |
| 7218 BECBM | B = 40 градусов угол контакта. M = обработанный латунный сепаратор, расположенныйна элементах качения. |
| 7218-BE-MP | Радиально-упорный шарикоподшипник с углом контакта 40. Оптимизированная внутренняя конструкция. Обработанный латунный сепаратор центрируемый по шарику. |
| 7218CG1UJ74 | J = Сепаратор стальной штампованный незакалённый. Сорт стали 7. |
| 7218CG/GLP4 | P4 = Точность размеров и вращения соответствуют классу точности 4 ISO. |
| 7218 CD/P4A | CD = 15 градусов угол контакта. P4 = Точность размеров и вращения соответствуют классу точности 4 ISO. |
| 7218-BE-TVP | E = Увеличенная грузоподъемность. TVP = (сегментная сепаратор, код P) = сплошная оконная сепаратор из армированного стекловолокном полиамида PA66. Катание на роликах. |
| 7218CG/GNP4 | GN = нормальная предварительная нагрузка. P = Литой сепаратор из стеклонаполненного полиамида 6,6, центрируемый по телам качения. |
| 7218HG1UJ74 | J = Сепаратор стальной штампованный незакалённый. Сорт стали 7. |
| Техника | Модель | Агрегат |
|---|---|---|
| МАЗ | 7410 | Дифференциал |
| КрАЗ | 260А | Задний мост |
| КрАЗ | 260В | Задний мост |
| КрАЗ | 260Г | Задний мост |
| КрАЗ | 260Д | Задний мост |
| КрАЗ | 260С | Задний мост |
| КрАЗ | 260 | Задний мост |
| КрАЗ | 260 | Мост передний |
| KMAZ | 6410 | Мост средний |
| КрАЗ | 260А | Мост средний |
| КрАЗ | 260В | Мост средний |
| КрАЗ | 260Г | Мост средний |
| КрАЗ | 260Д | Мост средний |
| КрАЗ | 260С | Мост средний |
| КрАЗ | 260 | Мост средний |
| МАЗ | 543 | Редуктор 2-го заднего моста |
| МАЗ | 7310 | Редуктор 2-го заднего моста |
| МАЗ | 73101 | Редуктор 2-го заднего моста |
Габаритные размеры
Конструкция и исполнение
Однорядный цилиндрический роликовый подшипник NJ218 (CRAFT, FAG, FBJ, ISB, ISO)
Однорядный цилиндрический роликовый подшипник NU218 (CRAFT, FAG, FBJ, ISB, ISO)
Подшипник шариковый радиальный 6-218
Подшипник роликовый радиально-упорный 32218
Подшипник шариковый радиальный 4-218 (ГПЗ-3)
Подшипник роликовый сферический 20218 (FAG, ISO)