Главная > Подшипники> Шариковые> Радиально-упорные>B7209-E-T-P4S

B7209-E-T-P4S — Подшипник шпиндельный, импортное производство по ISO стандарту, размер 45x85x19 номер основного исполнения 7209.
Производитель: FAG.
E = (AC-SKF) = 25 градусов угол контакта. T = (сегмент TB-Cage) = текстильная слоистая Фенольный смола, направленная по наружному кольцу. сепаратор подходит для длительной эксплуатации при температуре до 100 градусов C. P = Литой сепаратор из стеклонаполненного полиамида 6,6, центрируемый по телам качения.
Цена от:10 062 р.
Цена на подшипник зависит от:
| Обозначение | Модификация |
|---|---|
| 7209 | Основное конструктивное исполнение. |
| B7209 | |
| 7209 B | B = однокомпонентное ребристое внутреннее кольцо. |
| 7209BG | B = 40 градусов угол контакта. G = Однорядный радиально-упорный шарикоподшипник для универсального парного монтажа. Два подшипника, установленные по 0-образной или Х-образной схеме, будут иметь определенный осевой зазор в домонтажном состоянии. |
| 7209WN | W = Без кольцевой канавки и смазочных отверстий в наружном кольце. |
| 7209 C | С = Необслуживаемые концы стержней, внутренняя резьба. |
| 7209DB | D = профиль наружного кольца, усовершенствованный, с увеличенной зоной несущей нагрузки и оптимизированными краевыми переходами. |
| S7209B | B = однокомпонентное ребристое внутреннее кольцо. |
| 7209AC | AC = Угол контакта 25 градусов. |
| 7209BA | A = внутренняя модификация конструкции. |
| 7209DF | Комплект подшипников расположенных лицом к лицу, дуплексная Х-образная пара. |
| 7209 A | A = внутренняя модификация конструкции. |
| 7209DT | T = Механически обработанный сепаратор из текстолита, центрируемый по телам качения. |
| 7209BGM | B = 40 градусов угол контакта. G = Однорядный радиально-упорный шарикоподшипник для универсального парного монтажа. Два подшипника, установленные по 0-образной или Х-образной схеме, будут иметь определенный осевой зазор в домонтажном состоянии. |
| 7209BGA | B = 40 градусов угол контакта. G = Однорядный радиально-упорный шарикоподшипник для универсального парного монтажа. Два подшипника, установленные по 0-образной или Х-образной схеме, будут иметь определенный осевой зазор в домонтажном состоянии. |
| 7209CPA | С = Необслуживаемые концы стержней, внутренняя резьба. |
| 7209BEA | A = внутренняя модификация конструкции. |
| 7209 BDB | B = 40 градусов угол контакта. DB = два однорядных радиальных шарикоподшипника, однорядные радиально-упорные шарикоподшипники или однорядные конические роликовые подшипники, подходящие для монтажа в расположении друг за другом. |
| 7209 ADF | Комплект подшипников расположенных лицом к лицу, дуплексная Х-образная пара. |
| 7209 BDT | BD = Модифицированная внутренняя конструкция, угол контакта α = 30 градусов, без отверстия для заполнения. |
| 7209 CDB | С = Необслуживаемые концы стержней, внутренняя резьба. |
| 7209 ADT | T = Механически обработанный сепаратор из текстолита, центрируемый по телам качения. |
| 7209 BEP | Радиально-упорный шарикоподшипник с угол контакта - 40. Оптимизированная внутренняя конструкция. Сепаратор армирован стекловолокном с шаровым центром. |
| 7209 CDT | С = Необслуживаемые концы стержней, внутренняя резьба. |
| 7209 ADB | A = Модифицированная внутренняя конструкция. DB = два однорядных радиальных шарикоподшипника, однорядные радиально-упорные шарикоподшипники или однорядные конические роликовые подшипники, подходящие для монтажа в расположении друг к другу. |
| 7209 BDF | B = 40 градусов угол контакта. DF = Два однорядных радиальных шарикоподшипника, однорядных радиально-упорных шарикоподшипника или однорядных конических роликоподшипника, согласованные для монтажа по Х-образной схеме. |
| 7209 CDF | Комплект подшипников расположенных лицом к лицу, дуплексная Х-образная пара. |
| 7209 A-UX | A = внутренняя модификация конструкции. |
| 7209B-2RS | Резиновые уплотнения с каждой стороны подшипника. |
| 7209 B-UO | B = однокомпонентное ребристое внутреннее кольцо. |
| 7209 A-UO | A = внутренняя модификация конструкции. |
| 7209 C-UX | С = Необслуживаемые концы стержней, внутренняя резьба. |
| 7209 B-UX | X = Внешние размеры, соответствующие международным стандартам. |
| 7209-B-JP | B = однокомпонентное ребристое внутреннее кольцо. |
| 7209 A-UD | A = внутренняя модификация конструкции. |
| 7209 C-UD | С = Необслуживаемые концы стержней, внутренняя резьба. |
| 7209CDTP4 | T = Нейлоновая клетка, армированная стекловолокном (радиальные роликовые подшипники). P = Литой сепаратор из стеклонаполненного полиамида 6,6, центрируемый по телам качения. |
| 7209 B-UD | D = профиль наружного кольца, усовершенствованный, с увеличенной зоной несущей нагрузки и оптимизированными краевыми переходами. |
| 7209 C-UO | С = Необслуживаемые концы стержней, внутренняя резьба. |
| 7209CTRSU | С = Необслуживаемые концы стержней, внутренняя резьба. |
| 7209 CTBP4 | ТВ = текстолитовый сепаратор, центрируемый по внутреннему кольцу. |
| 7209-BE-MP | Радиально-упорный шарикоподшипник с углом контакта 40. Оптимизированная внутренняя конструкция. Обработанный латунный сепаратор центрируемый по шарику. |
| 7209 BECBP | ЕС = эксцентриковый фиксатор воротника с утопленным внутренним кольцом на одной стороне. |
| 7209-B-TVP | TVP = сегментный сепаратор, изготовленный из армированного стекловолокном полиамида PA66 направленная по роликам. |
| 7209 BECBJ | BE = однорядный радиально-упорный шарикоподшипник с углом контакта 40 градусов и оптимизированной внутренней конструкцией. CB = подшипник для универсального соответствия. Два подшипника, расположенные друг за другом или лицом к лицу, будут иметь нормальный осевой внутренний зазор перед монтажом. J = Прессованный стальной сепаратор оконного типа, сферическая по центру. |
| 7209 BECBM | B = 40 градусов угол контакта. M = обработанный латунный сепаратор, расположенныйна элементах качения. |
| 7209A5TRSU | Угол контакта 25 градусов. |
| 7209 BECBY | ЕС = эксцентриковый фиксатор воротника с утопленным внутренним кольцом на одной стороне. |
| 7209 ATBP4 | ТВ = текстолитовый сепаратор, центрируемый по внутреннему кольцу. |
| 7209CG/GNP4 | GN = нормальная предварительная нагрузка. P = Литой сепаратор из стеклонаполненного полиамида 6,6, центрируемый по телам качения. |
| Техника | Модель | Агрегат |
|---|---|---|
| Косилка | КПС-5Г | Коробка главная |
| МАЗ | 537Г | Редуктор 2-го переднего моста |
| МАЗ | 537 | Редуктор 2-го переднего моста |
| МАЗ | 537Г | Система рулевого управления |
| МАЗ | 537 | Система рулевого управления |
| МАЗ | 538 | Система рулевого управления |
| МАЗ | 543 | Система рулевого управления |
| МАЗ | 547 | Система рулевого управления |
| МАЗ | 7310 | Система рулевого управления |
| МАЗ | 73101 | Система рулевого управления |
| МАЗ | 7410 | Система рулевого управления |
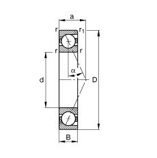
Габаритные размеры
Размеры и геометрические характеристики
Нагрузка и ресурс
Отклонение, точность вращения
Присоединительные размеры
Прочие характеристики
Однорядный цилиндрический роликовый подшипник NJ209 (CRAFT, FAG, FBJ, ISB, ISO)
Однорядный цилиндрический роликовый подшипник NU209 (CRAFT, FAG, FBJ, ISB, ISO)
Подшипник шариковый радиальный 6-209
Подшипник шариковый радиальный 4-209 (ГПЗ-1)
Подшипник роликовый сферический 20209 (FAG, ISO, SIGMA)
однорядный радиальный шарикоподшипник с пазом для ввода шариков 209