Главная > Подшипники> Шариковые> Радиально-упорные>B7206-E-2RSD-T-P4S

B7206-E-2RSD-T-P4S — Подшипник шпиндельный, импортное производство по ISO стандарту, размер 30x62x16 номер основного исполнения 7206.
Производитель: FAG.
Е = Увеличенная грузоподъемность. 2RS = шарикоподшипники с двухсторонним контактным уплотнением исполнения RS.
Цена от:2 428 р.
Цена на подшипник зависит от:
| Обозначение | Модификация |
|---|---|
| 7206 | Основное конструктивное исполнение. |
| B7206 | |
| 7206BG | B = 40 градусов угол контакта. G = Однорядный радиально-упорный шарикоподшипник для универсального парного монтажа. Два подшипника, установленные по 0-образной или Х-образной схеме, будут иметь определенный осевой зазор в домонтажном состоянии. |
| 7206DF | Комплект подшипников расположенных лицом к лицу, дуплексная Х-образная пара. |
| 7206WN | W = Без кольцевой канавки и смазочных отверстий в наружном кольце. |
| 7206-B | B = однокомпонентное ребристое внутреннее кольцо. |
| 7206DB | D = профиль наружного кольца, усовершенствованный, с увеличенной зоной несущей нагрузки и оптимизированными краевыми переходами. |
| S7206B | B = однокомпонентное ребристое внутреннее кольцо. |
| 7206 A | A = внутренняя модификация конструкции. |
| 7206 C | С = Необслуживаемые концы стержней, внутренняя резьба. |
| 7206DT | T = Механически обработанный сепаратор из текстолита, центрируемый по телам качения. |
| 7206AC | AC = Угол контакта 25 градусов. |
| 7206BEA | A = внутренняя модификация конструкции. |
| 7206BGA | B = 40 градусов угол контакта. G = Однорядный радиально-упорный шарикоподшипник для универсального парного монтажа. Два подшипника, установленные по 0-образной или Х-образной схеме, будут иметь определенный осевой зазор в домонтажном состоянии. |
| 7206CPA | С = Необслуживаемые концы стержней, внутренняя резьба. |
| 7206CP5 | P5 = Подшипники 5-го класса точности DIN |
| NC7206V | V = Увеличенная грузоподъемность, внутренняя модификация конструкции. |
| 7206 ADF | Комплект подшипников расположенных лицом к лицу, дуплексная Х-образная пара. |
| 7206 BDF | B = 40 градусов угол контакта. DF = Два однорядных радиальных шарикоподшипника, однорядных радиально-упорных шарикоподшипника или однорядных конических роликоподшипника, согласованные для монтажа по Х-образной схеме. |
| 7206 BDT | BD = Модифицированная внутренняя конструкция, угол контакта α = 30 градусов, без отверстия для заполнения. |
| 7206 CDB | С = Необслуживаемые концы стержней, внутренняя резьба. |
| 7206 BEP | Радиально-упорный шарикоподшипник с угол контакта - 40. Оптимизированная внутренняя конструкция. Сепаратор армирован стекловолокном с шаровым центром. |
| 7206 BDB | B = 40 градусов угол контакта. DB = два однорядных радиальных шарикоподшипника, однорядные радиально-упорные шарикоподшипники или однорядные конические роликовые подшипники, подходящие для монтажа в расположении друг за другом. |
| 7206 ADB | A = Модифицированная внутренняя конструкция. DB = два однорядных радиальных шарикоподшипника, однорядные радиально-упорные шарикоподшипники или однорядные конические роликовые подшипники, подходящие для монтажа в расположении друг к другу. |
| 7206 CDT | С = Необслуживаемые концы стержней, внутренняя резьба. |
| 7206 CDF | Комплект подшипников расположенных лицом к лицу, дуплексная Х-образная пара. |
| 7206 ADT | T = Механически обработанный сепаратор из текстолита, центрируемый по телам качения. |
| 7206CTRSU | С = Необслуживаемые концы стержней, внутренняя резьба. |
| 7206B-2RS | Резиновые уплотнения с каждой стороны подшипника. |
| 7206 C-UX | С = Необслуживаемые концы стержней, внутренняя резьба. |
| 7206-B-JP | B = однокомпонентное ребристое внутреннее кольцо. |
| 7206 B-UD | D = профиль наружного кольца, усовершенствованный, с увеличенной зоной несущей нагрузки и оптимизированными краевыми переходами. |
| 7206 B-UX | X = Внешние размеры, соответствующие международным стандартам. |
| 7206 C-UD | С = Необслуживаемые концы стержней, внутренняя резьба. |
| 7206 A-UX | A = внутренняя модификация конструкции. |
| 7206 A-UO | A = внутренняя модификация конструкции. |
| 7206 A-UD | A = внутренняя модификация конструкции. |
| 7206 C-UO | С = Необслуживаемые концы стержней, внутренняя резьба. |
| 7206 B-UO | B = однокомпонентное ребристое внутреннее кольцо. |
| 7206 BECBP | ЕС = эксцентриковый фиксатор воротника с утопленным внутренним кольцом на одной стороне. |
| 7206-BE-MP | Радиально-упорный шарикоподшипник с углом контакта 40. Оптимизированная внутренняя конструкция. Обработанный латунный сепаратор центрируемый по шарику. |
| 7206 BEGAY | BE = однорядный радиально-упорный шарикоподшипник с углом контакта 40 градусов и оптимизированной внутренней конструкцией. GA = Однорядный радиально-упорный шарикоподшипник для универсального соответствия. Два подшипника, расположенные друг за другом или лицом к лицу, будут иметь легкую предварительную нагрузку. Y = (Сегментный тип клетки, код Y) = штампованная латунный сепаратор с центром на элементах качения. |
| 7206A5TRSU | Угол контакта 25 градусов. |
| 7206 BEGAJ | A = Модифицированная внутренняя конструкция. J = Штампованный стальной сепаратор, центрируемый по роликам. |
| 7206 BEGAP | Радиально-упорный шарикоподшипник с углом контакта 40. Оптимизированная внутренняя конструкция. Подшипник для универсального сопряжения. Два подшипника, расположенных вплотную друг к другу или лицом к лицу, имеют небольшой предварительный натяг. Сепаратор армирован стекловолокном. |
| 7206-B-TVP | TVP = сегментный сепаратор, изготовленный из армированного стекловолокном полиамида PA66 направленная по роликам. |
| 7206 ATBP4 | ТВ = текстолитовый сепаратор, центрируемый по внутреннему кольцу. |
| 7206 BECBY | ЕС = эксцентриковый фиксатор воротника с утопленным внутренним кольцом на одной стороне. |
| 7206 CTBP4 | ТВ = текстолитовый сепаратор, центрируемый по внутреннему кольцу. |
| 7206 BEGBP | G = Однорядный радиально-упорный шарикоподшипник для универсального парного монтажа. Два подшипника, установленные по 0-образной или Х-образной схеме, будут иметь определенный осевой зазор в домонтажном состоянии. |
| Техника | Модель | Агрегат |
|---|---|---|
| Буровой насос | 1В | Коробка отбора мощности |
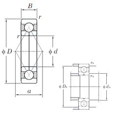
Габаритные размеры
Размеры и геометрические характеристики
Нагрузка и ресурс
Отклонение, точность вращения
Присоединительные размеры
Прочие характеристики
Однорядный цилиндрический роликовый подшипник NJ206 (CRAFT, FAG, FBJ, ISB, ISO)
Однорядный цилиндрический роликовый подшипник NU206 (CRAFT, FAG, FBJ, ISB, ISO)
Подшипник шариковый радиальный 6-206 (ГПЗ-23)
Подшипник шариковый радиальный сферический двухрядный с цилиндрическим отверстием внутреннего кольца 5-1206 (ГПЗ-2)
Подшипник роликовый сферический 20206 (FAG, ISO, SIGMA)
однорядный радиальный шарикоподшипник с пазом для ввода шариков 206