Главная > Подшипники> Шариковые> Радиально-упорные>B7200-E-T-P4S

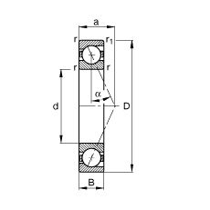
B7200-E-T-P4S — Подшипник шпиндельный, импортное производство по ISO стандарту, размер 10x30x9 номер основного исполнения 7200.
Производитель: FAG.
E = (AC-SKF) = 25 градусов угол контакта. T = (сегмент TB-Cage) = текстильная слоистая Фенольный смола, направленная по наружному кольцу. сепаратор подходит для длительной эксплуатации при температуре до 100 градусов C. P = Литой сепаратор из стеклонаполненного полиамида 6,6, центрируемый по телам качения.
Цена от:1 805 р.
Цена на подшипник зависит от:
| Обозначение | Модификация |
|---|---|
| 7200 | Основное конструктивное исполнение. |
| 7200C | С = Необслуживаемые концы стержней, внутренняя резьба. |
| B7200 | |
| 7200DF | Комплект подшипников расположенных лицом к лицу, дуплексная Х-образная пара. |
| 7200DT | T = Механически обработанный сепаратор из текстолита, центрируемый по телам качения. |
| 7200DB | D = профиль наружного кольца, усовершенствованный, с увеличенной зоной несущей нагрузки и оптимизированными краевыми переходами. |
| 7200 B | B = однокомпонентное ребристое внутреннее кольцо. |
| 7200 A | A = внутренняя модификация конструкции. |
| 7200BG | B = 40 градусов угол контакта. G = Однорядный радиально-упорный шарикоподшипник для универсального парного монтажа. Два подшипника, установленные по 0-образной или Х-образной схеме, будут иметь определенный осевой зазор в домонтажном состоянии. |
| 7200AC | AC = Угол контакта 25 градусов. |
| S7200B | B = однокомпонентное ребристое внутреннее кольцо. |
| NC7200V | V = Увеличенная грузоподъемность, внутренняя модификация конструкции. |
| 7200CDT | С = Необслуживаемые концы стержней, внутренняя резьба. |
| 7200CPA | С = Необслуживаемые концы стержней, внутренняя резьба. |
| 7200CDF | Комплект подшипников расположенных лицом к лицу, дуплексная Х-образная пара. |
| 7200CDB | С = Необслуживаемые концы стержней, внутренняя резьба. |
| 7200 BEP | Радиально-упорный шарикоподшипник с угол контакта - 40. Оптимизированная внутренняя конструкция. Сепаратор армирован стекловолокном с шаровым центром. |
| 7200 ADB | A = Модифицированная внутренняя конструкция. DB = два однорядных радиальных шарикоподшипника, однорядные радиально-упорные шарикоподшипники или однорядные конические роликовые подшипники, подходящие для монтажа в расположении друг к другу. |
| 7200 BDB | B = 40 градусов угол контакта. DB = два однорядных радиальных шарикоподшипника, однорядные радиально-упорные шарикоподшипники или однорядные конические роликовые подшипники, подходящие для монтажа в расположении друг за другом. |
| 7200 ADF | Комплект подшипников расположенных лицом к лицу, дуплексная Х-образная пара. |
| 7200 ADT | T = Механически обработанный сепаратор из текстолита, центрируемый по телам качения. |
| 7200 BDT | BD = Модифицированная внутренняя конструкция, угол контакта α = 30 градусов, без отверстия для заполнения. |
| 7200 BDF | B = 40 градусов угол контакта. DF = Два однорядных радиальных шарикоподшипника, однорядных радиально-упорных шарикоподшипника или однорядных конических роликоподшипника, согласованные для монтажа по Х-образной схеме. |
| 7200CTRSU | С = Необслуживаемые концы стержней, внутренняя резьба. |
| 7200 C-UD | С = Необслуживаемые концы стержней, внутренняя резьба. |
| 7200 C-UX | С = Необслуживаемые концы стержней, внутренняя резьба. |
| 7200 B-UO | B = однокомпонентное ребристое внутреннее кольцо. |
| 7200 A-UD | A = внутренняя модификация конструкции. |
| 7200 B-UX | X = Внешние размеры, соответствующие международным стандартам. |
| 7200 A-UO | A = внутренняя модификация конструкции. |
| 7200 C-UO | С = Необслуживаемые концы стержней, внутренняя резьба. |
| 7200 A-UX | A = внутренняя модификация конструкции. |
| 7200 B-UD | D = профиль наружного кольца, усовершенствованный, с увеличенной зоной несущей нагрузки и оптимизированными краевыми переходами. |
| 7200 B.JP | B = однокомпонентное ребристое внутреннее кольцо. |
| 7200B-2RS | Резиновые уплотнения с каждой стороны подшипника. |
| 7200A5TRSU | Угол контакта 25 градусов. |
| 7200 BECBP | ЕС = эксцентриковый фиксатор воротника с утопленным внутренним кольцом на одной стороне. |
| 7200 CTBP4 | ТВ = текстолитовый сепаратор, центрируемый по внутреннему кольцу. |
| 7200 ATBP4 | ТВ = текстолитовый сепаратор, центрируемый по внутреннему кольцу. |
| 7200 B.TVP | TVP = сегментный сепаратор, изготовленный из армированного стекловолокном полиамида PA66 направленная по роликам. |
| 7200CG/GNP4 | GN = нормальная предварительная нагрузка. P = Литой сепаратор из стеклонаполненного полиамида 6,6, центрируемый по телам качения. |
| 7200-BE-TVP | E = Увеличенная грузоподъемность. TVP = (сегментная сепаратор, код P) = сплошная оконная сепаратор из армированного стекловолокном полиамида PA66. Катание на роликах. |
| 7200CG1UJ74 | J = Сепаратор стальной штампованный незакалённый. Сорт стали 7. |
| 7200 CD/P4A | CD = 15 градусов угол контакта. P4 = Точность размеров и вращения соответствуют классу точности 4 ISO. |
| 7200HG1UJ74 | J = Сепаратор стальной штампованный незакалённый. Сорт стали 7. |
| 7200HG1DUJ74 | DU = (RS1-SKF) = Уплотнительное контактное уплотнение из акрилонитрил-бутадиеновой резины (NBR) из листовой стали на одной стороне подшипника. |
| 7200CG1DUJ74 | DU = (RS1-SKF) = Уплотнительное контактное уплотнение из акрилонитрил-бутадиеновой резины (NBR) из листовой стали на одной стороне подшипника. |
| 7200CDB/GNP5 | GN = нормальная предварительная нагрузка. P = Литой сепаратор из стеклонаполненного полиамида 6,6, центрируемый по телам качения. |
| 7200 ACD/P4A | ACD = Угол контакта 25 градусов. P4 = Точность конструкции P4, точность хода P4. |
| 7200 B.JP.UA | B = 40 градусов угол контакта. JP = Прессованная стальная клеть, направляемая катящимся элементом. UA = универсальный монтаж, с конфигурациями O и X Подшипниковая пара имеет небольшой осевой зазор. |
Габаритные размеры
Размеры и геометрические характеристики
Нагрузка и ресурс
Отклонение, точность вращения
Присоединительные размеры
Прочие характеристики
Подшипник шариковый радиально-упорный 7-200 (ГПЗ-4)
Подшипник шариковый радиально-упорный однорядный разъемный со съемным наружным кольцом с углом контакта 12 6200
Подшипник шариковый радиальный 4-200 (ГПЗ-4)
Подшипник шариковый радиальный сферический двухрядный с цилиндрическим отверстием внутреннего кольца 1200 (ГПЗ-2)
Подшипник однорядный шариковый радиальный 200
Подшипник однорядный шариковый радиальный 6200 (AST, CRAFT, CX, CYSD, FAG)