Главная > Подшипники> Роликовые > Игольчатые>AX 11 160 200

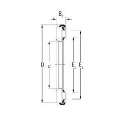
AX 11 160 200 — Подшипник игольчатый упорный, импортное производство по ISO стандарту, размер 160x200x9 номер основного исполнения 200.
Производится брендами: KOYO, TIMKEN.
Цена по запросу
Цена на подшипник зависит от:
| Обозначение | Модификация |
|---|---|
| QJ200 | Шарикоподшипник с четырехточечным контактом. |
| W200PP | P = Литой сепаратор из стеклонаполненного полиамида 6,6, центрируемый по телам качения. |
| BNT200 | |
| KCA200 | |
| KCX200 | |
| KCC200 | |
| BXRE200 | Е = Увеличенная грузоподъемность. |
| YRTE200 | Е = Увеличенная грузоподъемность. |
| B35-200 | |
| SSN200LL | LL (Сегментное уплотнение, код 2RU) = Лабиринтные уплотнения на обеих сторонах (Уплотнение L = типа = все части уплотнения L = типа покрыты цинком на всех сторонах для улучшения защиты от коррозии = без трения уплотнения). |
| CS200LLU | LLU = Резиновые уплотнения на каждой стороне подшипника. |
| SC200-2RS | Резиновые уплотнения с каждой стороны подшипника. |
| 5S-BNT200 | T = Механически обработанный сепаратор из текстолита, центрируемый по телам качения. |
| LD200-2RS | Резиновые уплотнения с каждой стороны подшипника. |
| BXRE200-2Z | 2Z = Металлические шайбы с каждой стороны подшипника. |
| 53200U+U200 | Резиновое уплотнение на каждой стороне подшипника. |
| 53200 + U200 | |
| BXRE200-2HRS | 2HRS = уплотнения на обеих сторонах сделанные из бутадиенового каучука нитрила, эти конструкции смазаны на все время эксплуатации. Фрикционный крутящий момент и тепловыделение ниже, чем при предыдущем уплотнении RSR. |
| BXRE200-2RSR | 2RSR = Резиновые уплотнения с каждой стороны подшипника. |
Габаритные размеры
Размеры и геометрические характеристики
Нагрузка и ресурс
Защита
Конструкция и исполнение
Другие размеры