Главная > Подшипники> Шарнирные скольжения>ASTEPBF 3539-26

ASTEPBF 3539-26 — импортное производство по ISO стандарту номер основного исполнения .
Производитель: AST.
P = Литой сепаратор из стеклонаполненного полиамида 6,6, центрируемый по телам качения.
Цена по запросу
Цена на подшипник зависит от:
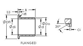
Габаритные размеры
Присоединительные размеры
Конструкция и исполнение
Прочие характеристики
Подшипник игольчатый радиальный K384228ZWPCSP (KBC)
Подшипник игольчатый радиальный K384224ZWPCSP (KBC)
Втулки AST20 в стальном корпусе с пластиковым вкладышем POM дюймовая серия AST20 24IB24 (AST)