Главная > Подшипники> Шарнирные скольжения>AST11 3840

AST11 3840 — импортное производство по ISO стандарту номер основного исполнения .
Производитель: AST.
Цена по запросу
Цена на подшипник зависит от:
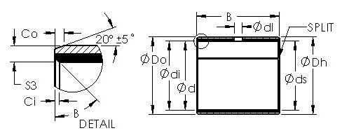
Габаритные размеры
Присоединительные размеры
Конструкция и исполнение
Прочие характеристики
Подшипник игольчатый радиальный K384228ZWPCSP (KBC)
Подшипник игольчатый радиальный K384224ZWPCSP (KBC)
Втулки AST20 в стальном корпусе с пластиковым вкладышем POM дюймовая серия AST20 24IB24 (AST)
Втулки AST20 в стальном корпусе с пластиковым вкладышем POM дюймовая серия AST20 24IB16 (AST)