Главная > Подшипники>AC5738B

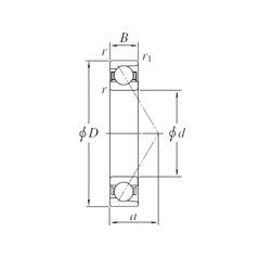
AC5738B — Радиально-упорный шарикоподшипник, импортное производство по ISO стандарту, размер 285x380x46 номер основного исполнения AC5738.
Производитель: KOYO.
B = однокомпонентное ребристое внутреннее кольцо.
Цена по запросу
Цена на подшипник зависит от:
| Обозначение | Модификация |
|---|---|
| AC5738 | Основное конструктивное исполнение. |
Габаритные размеры
Размеры и геометрические характеристики
Нагрузка и ресурс
Защита
Присоединительные размеры
Конструкция и исполнение