Главная > Подшипники> Шариковые> Радиально-упорные>AC5738

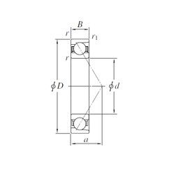
AC5738 — Радиально-упорный шарикоподшипник, импортное производство по ISO стандарту, размер 285x380x46 основное исполнение.
Производитель: KOYO.
Цена по запросу
Цена на подшипник зависит от:
| Обозначение | Модификация |
|---|---|
| AC5738B | B = однокомпонентное ребристое внутреннее кольцо. |
Габаритные размеры
Размеры и геометрические характеристики
Нагрузка и ресурс
Защита
Присоединительные размеры
Конструкция и исполнение