Главная > Подшипники> Шариковые> Радиально-упорные>90BER10XE

90BER10XE — Радиально-упорный шарикоподшипник, импортное производство по ISO стандарту, размер 90x140x24 номер основного исполнения .
Производитель: NSK.
X = Внешние размеры, соответствующие международным стандартам.
Цена по запросу
Цена на подшипник зависит от:
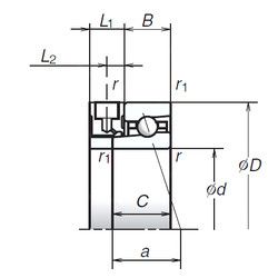
Габаритные размеры
Размеры и геометрические характеристики
Нагрузка и ресурс
Защита
Присоединительные размеры
Конструкция и исполнение
Другие размеры
Однорядный цилиндрический роликовый подшипник NU1018 (CX, CYSD, FBJ, IBC, ISB)
Подшипник однорядный шариковый радиальный 6018 (AST, CRAFT, CX, CYSD, FAG)
Подшипник шариковый однорядный радиально-упорный B7018 C.T.P4S.UL (FAG)
Однорядный цилиндрический роликовый подшипник NU1018 M1.C3 (IBC)