Главная > Подшипники> Роликовые > Радиально-упорные>835R/832

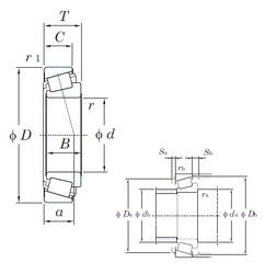
835R/832 — Подшипник роликовый радиально-упорный, импортное производство по ISO стандарту, размер 69x168x53 номер основного исполнения .
Производитель: KOYO.
R = Наружное кольцо с фланцем .
Цена от:13 231 р.
Цена на подшипник зависит от:
Габаритные размеры
Размеры и геометрические характеристики
Нагрузка и ресурс
Защита
Коэффициенты для расчета
Присоединительные размеры
Конструкция и исполнение
Конический роликоподшипник 4T-835/832 (NTN)
Однорядный конический роликовый подшипник 835/832 (CX, FBJ, ISO, TIMKEN)