Главная > Подшипники> Роликовые > Радиально-упорные>835/832

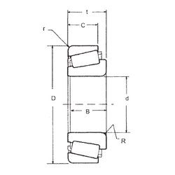
835/832 — Однорядный конический роликовый подшипник, импортное производство по ISO стандарту, размер 69x168x53 номер основного исполнения .
Производится брендами: CX, FBJ, ISO, TIMKEN.
Цена от:13 231 р.
Цена на подшипник зависит от:
Габаритные размеры
Размеры и геометрические характеристики
Нагрузка и ресурс
Защита
Коэффициенты для расчета
Присоединительные размеры
Конструкция и исполнение
Конический роликоподшипник 4T-835/832 (NTN)
Подшипник роликовый радиально-упорный 835R/832 (KOYO)