Главная > Подшипники> Роликовые > Упорные>81176-MB

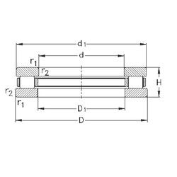
81176-MB — Роликовый цилиндрический упорный подшипник, импортное производство по ISO стандарту, размер 380x460x65 номер основного исполнения 81176.
Производитель: NKE.
MB = Обработанный латунный сепаратор с внутренним кольцом.
Цена по запросу
Цена на подшипник зависит от:
| Обозначение | Модификация |
|---|---|
| 81176 | Основное конструктивное исполнение. |
| 81176M | M = массивный латунный сепаратор. |
| K 81176-MB | Игольчатый роликоподшипник без колец. MB = Обработанный латунный сепаратор с внутренним кольцом. |
Габаритные размеры
Размеры и геометрические характеристики
Нагрузка и ресурс
Защита
Конструкция и исполнение
Подшипник упорный шариковый одинарный 8176Н
Подшипник упорный с цилиндрическими роликами одинарный однорядный 9176
Подшипник шариковый упорный однонаправленный 51176 (CX, ISO, KOYO, NTN)
Подшипник шариковый упорный 51176 M (ISB, NIS)
Подшипник шариковый упорный однонаправленный 51176F (SKF)
Подшипник шариковый упорный однонаправленный 51176-MP (FAG)